Speeltoestel CONRAD

 
€ 5.365,14 Incl. BTW € 4.434,00 Excl. BTW

Omschrijving

Speelcentrum met twee platforms, bereikbaar via een gebogen pad of een nethelling. Een glijbaan en een brandweerstang bieden een route naar beneden. De zijpanelen van het speelcentrum kunnen worden vervangen door verschillende activiteitenwanden of thematische bedrukte panelen (dieren, vogels, vissen, bomen, bessen, enz.). Het ontwerp van de panelen wordt bij bestelling met de klant afgestemd.

Specificaties

Artikelnummer LM219 FORP PE
Referentie LM219 FORP PE
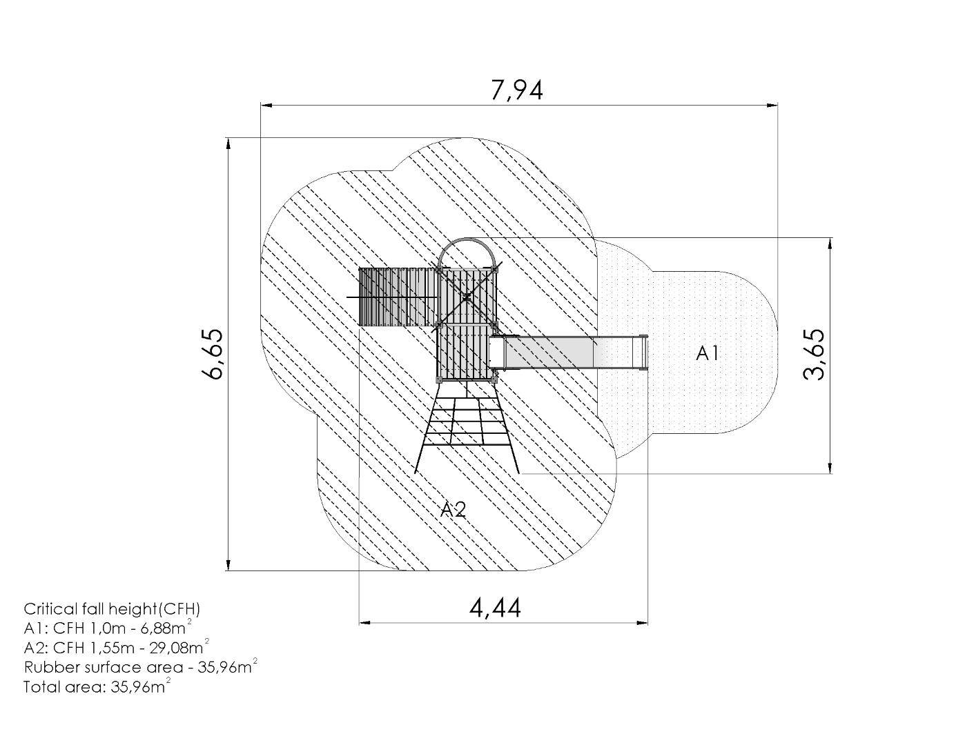
Specifications
Lengte 3.65 m
Breedte 4.44 m
Hoogte 3.82 m
Productoppervlak 16.21 m²
Veiligheidszone (b x l) 6.65 x 7.94 m
Valhoogte 1.55 m
Leeftijdscategorie 4+
Aantal gebruikers 4-8
Rolstoeltoegankelijk Nee
Schokabsorberende ondergrond vereist Ja
Beton vereist 18.00 m³
Palletafmetingen 2,9x1,0x1,5m

Downloads

Installatiehandleiding (1840.pdf) Downloaden

Wat onze klanten
Over ons vertellen

Huize Hopsasa

Deze 3 speeltoestellen zijn geplaatst bij Kinderdagverblijf Huize Hopsasa in Emmen. De samenwerking met Speeltoestel.nl liep super! Goede en snelle communicatie en professioneel geplaatst. Wij en de kinderen zijn super tevreden met de speeltoestellen en de goede service! Zeker een aanrader!

pat slagter

Fijne samenwerking met Gerben en het team dat het toestel kwam plaatsen. Eindresultaat mag er zeker zijn. Laat het speelseizoen maar beginnen!

Kinderopvang Voorzaanhaven

Onlangs hebben de vakmensen van Speeltoestel.nl bij een van onze locaties een prachtige gondbox (voor de allerkleinste) en een zandbak geplaatst. De toestellen hebben een prachtige natuurlook en zijn erg kwalitatief. De kinderen en Pedagogisch Medewerkers gaan er veel plezier van hebben. Nogmaals bedankt!

Iris Keppels

Fijn contact met deze organisatie en ze leveren leuke en goede speeltoestellen. Beveel ze zeker aan!

Annelies Vervoort

De communicatie verliep zeer vlot, de plaatsing was perfect in orde en de prijs was zeer ok. De kinderen uit de buurt vinden het alvast super!

Ontdek nu alle complete speeltoestellen

Shop nu

Interesse?
Maar zit je nog met vragen?

Neem contact op
Naar vergelijker