Speeltoestel ANDREAS

 
€ 16.625,40 Incl. BTW € 13.740,00 Excl. BTW

Omschrijving

Dit speelcentrum heeft drie platforms, twee glijbanen en diverse klimelementen. Een kleine ladder leidt naar het laagste platform, waar een glijbaan naar beneden gaat en een balansbrug met bewegende treden naar boven leidt. Op dat platform wacht een kruispunt: kinderen kunnen via een brandweerpaal naar beneden glijden of via een netbrug met leuningen naar het andere platform, om daar via de tweede glijbaan naar beneden te gaan. Het hogere platform is ook bereikbaar via een rotsklimhelling. Een klimmuur met gaten biedt een extra uitdaging voor de ontwikkeling van grove motoriek. Een boter-kaas-en-eieren-spel, een kapiteinsstuur en een verrekijker zorgen voor extra plezier. Onder het platform is een speelhoek met bankje verborgen, dat kan worden voorzien van keuken- of dashboardelementen. De zijpanelen van het speelcentrum kunnen worden vervangen door verschillende activiteitenwanden of thematische bedrukte panelen.

Specificaties

Artikelnummer LM226 SUM MF
Referentie LM226 SUM MF
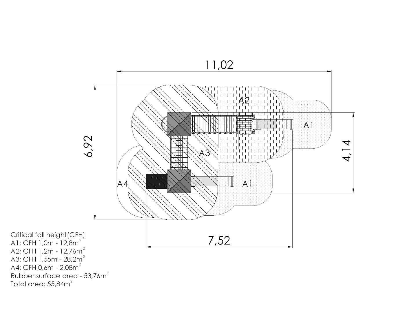
Specifications
Lengte 4.14 m
Breedte 7.52 m
Hoogte 3.96 m
Productoppervlak 31.13 m²
Veiligheidszone (b x l) 6.92 x 11.02 m
Valhoogte 1.58 m
Leeftijdscategorie 4+
Aantal gebruikers 8-16
Rolstoeltoegankelijk Nee
Schokabsorberende ondergrond vereist Nee
Beton vereist 23.00 m³
Palletafmetingen 3,3x1,0x1,7m

Downloads

Installatiehandleiding (11019.pdf) Downloaden

Wat onze klanten
Over ons vertellen

Huize Hopsasa

Deze 3 speeltoestellen zijn geplaatst bij Kinderdagverblijf Huize Hopsasa in Emmen. De samenwerking met Speeltoestel.nl liep super! Goede en snelle communicatie en professioneel geplaatst. Wij en de kinderen zijn super tevreden met de speeltoestellen en de goede service! Zeker een aanrader!

pat slagter

Fijne samenwerking met Gerben en het team dat het toestel kwam plaatsen. Eindresultaat mag er zeker zijn. Laat het speelseizoen maar beginnen!

Kinderopvang Voorzaanhaven

Onlangs hebben de vakmensen van Speeltoestel.nl bij een van onze locaties een prachtige gondbox (voor de allerkleinste) en een zandbak geplaatst. De toestellen hebben een prachtige natuurlook en zijn erg kwalitatief. De kinderen en Pedagogisch Medewerkers gaan er veel plezier van hebben. Nogmaals bedankt!

Iris Keppels

Fijn contact met deze organisatie en ze leveren leuke en goede speeltoestellen. Beveel ze zeker aan!

Annelies Vervoort

De communicatie verliep zeer vlot, de plaatsing was perfect in orde en de prijs was zeer ok. De kinderen uit de buurt vinden het alvast super!

Ontdek nu alle complete speeltoestellen

Shop nu

Interesse?
Maar zit je nog met vragen?

Neem contact op
Naar vergelijker